议价咨询

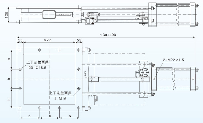
QBM系列气动闸板门用于粉煤灰或类似的开通或关断。该设备的特点是整体铸造壳体、柔性石墨填料、密封性好、开关灵活。设备型号意义如下:


1、插板门采用整体铸造式,坚固耐用,外形美观;
2、门板采用1Cr18Ni9Ti材质,延长设备使用寿命;
3、门板与门框间采用了柔性石墨填料密封,具有良好的自润滑性,且回弹性能好,磨擦阻力小,开关灵活。该密封结构简单可靠,严密不漏灰,且维修更换方便。
[上一个: SBM系列手动闸板门]
[下一个: 有机废气治理]
关注客服微信