欢迎进入江苏东安特钢机械制造有限公司官方网站!

收藏本站| 网站地图

全国服务咨询热线
产品中心

输送设备

您的位置:首页>产品中心>输送设备

产品名称:SBM系列手动闸板门

产品详情

简介

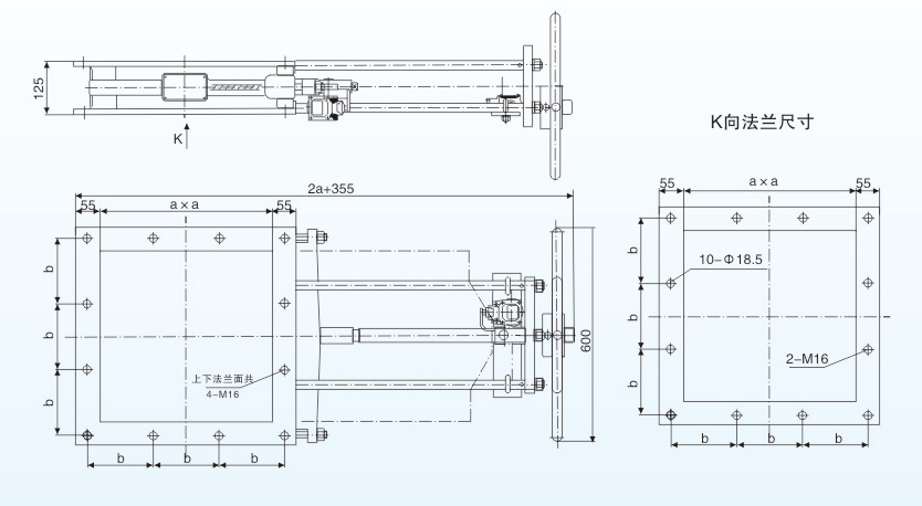
SBM系列手动闸板门用于粉煤灰式类似物料的开通或关断。该设备的特点是整体铸造壳体、整体闸板、柔性石墨填料,密封性好、开关灵活。设备型号意义如下:


SBM系列手动闸板门技术参数

设备特点

1、插板门采用整体铸造科技,坚固耐用,外形美观;

2、门板采用1Cr18Ni9Ti材质,延长设备使用寿命;

3、门板与门框间采用了柔性石墨填料密封,具有良好的自润滑性,且回弹性能好,磨擦阻力小,开关灵活。该密封结构简单可靠,严密不漏灰,且维修更换方便。

[上一个: 气力输送系统]

[下一个: QBM系列手动闸板门]

议价咨询
产品名称
型号
产品数量
姓名/单位名称
联系电话
备注
 

立即联系在线客服

客服1 客服2